自清洗過濾器ELC-AC-J
自清洗過濾器ELC-AC-J

技術參數
- 單臺處理水量:45-2350m³/h
- 最大工作壓力:0.1-1.6Mpa
- 過濾器清潔時的壓力損失:≤0.018Mpa
- 最高工作水溫:95℃
- 過濾精度范圍:100-3000µm
- 自清洗所需水量:<1%
- 自清洗時間:10-60秒
- 自清洗控制方式:壓差、時間及手動
- 電控方式:交流三相380V/ 50Hz
- 控制界面:數顯、旋鈕、開關
- 濾網類型:316L編織網、楔形網
尺寸對照表


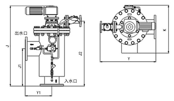
自清洗過濾器安裝圖

- 上一篇:全自動反沖洗過濾器-紫外線殺菌器
- 下一篇:自清洗過濾器ELC-LC-Z